製品情報
フォトカプラ
| 製品名 | フォトカプラ |
|---|---|
| メーカー | Everlight Electronics Co.,Ltd. |
| メーカーロゴ | ![]() |
| メーカーサイト | メーカー製品サイトはこちら |
概要
Everlight社のフォトカプラです。
Photo Coupler(フォトカプラ)は、発光と受光がパッケージ内に収められており電気信号を光変換して出力側に伝えることで、入力端子側と出力端子側で絶縁されています。
高い量産化技術により、莫大な生産数量、豊富ラインナップを有しております。
フォトカプラは、汎用品から高性能品まで 幅広い用途で使用されております。
製品ラインナップ
各カテゴリを以下からお選びください。
フォトカプラ(フォトトランジスタ)
| ラインナップ | パッケージタイプ / リード形状 | Pin Configuration |
|---|---|---|
| フォトトランジスタ ACインプット |
4pin:DIP、M、S1、SOP-2.54 16pin:SSOP-1.27 |
|
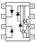
| フォトトランジスタ DCインプット |
4pin:Dip、M、S1、SOP-2.54、LSOP-2.54 6pin:DIP、M、S、S1 8pin:DIP、M、S1、SOP-1.27、SSOP-1.27 16pin:DIP、SSOP-1.27 |
|
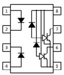
| ダーリントン |
4pin:DIP、M、S1、SOP-2.54 8pin:DIP、M、S1 |
ハイスピードカプラ
シュミットトリガー
| ラインナップ | パッケージタイプ / リード形状 | Pin Configuration |
|---|---|---|
| 1Mbps |
6pin:DIP、M、S、S1 |
フォトトライアックカプラ
| ラインナップ | パッケージタイプ / リード形状 | Pin Configuration |
|---|---|---|
| Zero Cross |
4pin:DIP、M、S1、SOP-2.54 |
|
| Random Phase |
4pin:DIP、M、S1、SOP-2.54 |
|
| Power Triac Zero Cross |
8pin:DIP、M、S1 |
|
| Power Triac Random Phase |
8pin:DIP、M、S1 |
Solid State Relay
| ラインナップ | パッケージタイプ / リード形状 | Pin Configuration |
|---|---|---|
| SSR |
4pin:DIP、M、S1、SOP-2.54(Mini-Flat) |
|
| IL=1Aup |
4pin:SOP-2.54(Mini-Flat) |
IGBT ゲートドライバー
| ラインナップ | パッケージタイプ / リード形状 | Pin Configuration |
|---|---|---|
| I_OP 2.5A 0.6A 1.0A |
6pin:P-1.27 |
|
| I_OP 2.5A |
8pin:DIP、S1 |
パッケージ一覧
| Pin数 | 形状(パッケージ / リード) | |||||
|---|---|---|---|---|---|---|
| 4Pin |
DIP |
M |
S1 |
SOP-2.54
|
LSOP-2.54
|
SSOP-1.27
|
| 5pin 6pin |
DIP
|
M
|
SOP-1.27
|
LSOP-1.27
|
|
|
| 8pin |
DIP
|
M |
SOP-1.27 |
DIP-WideBody |
S-WideBody |
|
| 16pin |
DIP
|
SSOP-1.27 |
||||
