FAQ(よくある質問)
- 製品名
- FAQ(よくある質問)
概要
アナログ・デバイセズ社の製品に関する技術情報、FAQを掲載しております。
設計時のご参考にご覧ください。
無料会員限定コンテンツ myAnalog は、設計に役立つ技術記事やツールを無償でダウンロード可能です!
FAQ
各カテゴリを以下からお選びください。
アンプについて
Q差動出力アンプの出力電圧について、データシートを見ると電源電圧より大きな出力信号が得られる記述があります。なぜ、電源電圧よりも高い電圧が得られるのでしょうか?
QOPAMPの最小入力振幅は規定されていますか?
Q差動アンプのゲインを設定している以下の抵抗RF, RGにつきまして、データシート回路例では1kΩ程度を選定しているケースが多いです。10kΩや20kΩを選定すると性能に影響を及ぼすのでしょうか?
QADA4522 のデータシートのtable2~4に記載されたCMRRとPSRRに比べ、Figure30のCMRRとFigure33のPSRRの値が低いのは何故ですか?
Figure30は10Hz以上、Figure33は100Hz以上の周波数範囲をネットワークアナライザーで測定したCMRR とPSRR が記載されています。 100dB付近では信号振幅が小さく、ネットワークアナライザーでは精度よく測定できません。 一方table2~4は、 サーボループ を用いたDCのCMRR とPSRR になります。 そのため、table2~4とfigure30、33で値が異なっています。 ADA4522はチョッピング技術によってコモンモード電圧変動と電源電圧変動によるオフセット電圧エラーを補正することで、優れたCMRR/PSRRが得られています。
Q完全差動アンプLTC6419のゲインを、例えば0.5倍や0.3倍のように1倍未満で使用することは、性能上問題ありませんか?もし、問題がある場合、1倍未満で使用できる完全差動アンプはありますでしょうか?
LTC6419の最小ゲインは1V/Vとなっており、1倍が最小ゲインとなります。 ゲイン1倍未満の動作は保証されておりません。従いまして、発振等特性面で問題がでる可能性があります。 必ず発振するとは限りません。また、発振する場合も、周辺回路での対策で発振を回避出来る場合もあります。
1倍未満で使用できる完全差動アンプとしましては、ADA4932という製品があります。 こちらはデータシートに、“Can be used with gains less than 1”との記載があります。 LTC6363も1倍未満で使用できる完全差動アンプです。 LTC6363のゲイン設定毎の周波数特性は以下のとおりです。
Qオフセット調整端子付きのOPAMPを探しています。紹介ください。
LT1468,LT1468-2, LT1792, LT1793,LT1055,LT1056,ADA4627-1,ADA4637-1がオフセット調整端子付きOPAMPになります。
オフセット調整端子はございませんが、 ゼロドリフトOPAMP であれば、 オフセット調整端子付きOPAMPより小さなオフセット電圧を得ることができる可能性がございます。
Q絶縁アンプADUM3190のデータシートにはNCピンをGNDに接続する様に記載がありますが、評価ボードはフローティングになっています。どちらが正しいのでしょうか?
Q例えば±15V電源のOPアンプを単電源(片電源)+30Vまたはそれ以下の電圧で使うことは出来るでしょうか?
Q単電源のOPAMPで負電圧信号を正電圧信号に変更できますか?
コンバータについて
QDAコンバータ AD5663を使用しています。時々起動しない事があるのですが、どんな原因が考えられるでしょうか?
QAD9740のMaximum Output Update Rate (fCLOCK)がmin.210MSPSと記載してありますが、fCLOCK=210MHzで使用しても問題がないということでしょうか?
QAD7616等の多チャンネルの同時サンプリングADCの未使用アナログ入力端子はどのようにすればよいでしょうか?
QAD732xシリーズで、VCCをVDDより先に立ち上げては、いけないのでしょうか?
QLVDS信号を高速ADCのクロック入力として使用予定です。ADCのデータシートにはAC結合入力例が記載されております。このような場合、終端抵抗は必要でしょうか?
Q完全差動入力のSAR型ADCを単電源で使用する場合に、入力の一方をGNDに固定することは可能でしょうか?
完全差動入力のSARでは、入力をGNDに固定できません。 例えばAD4003のデータシートでは、 VIN+もVIN-もVoltage rangeは±VREFの範囲で入力可能ですが、Common-Mode Input RangeはVREF/2±0.125Vである必要があります。 入力の一方をGNDに固定した場合、Common-Mode Input RangeがVREF/2±0.125Vの範囲外になってしまいます。 入力の一方を固定電圧とする場合、VREF/2としてください。
入力の一方をGNDに固定する必要がある場合、疑似差動入力のSAR をご使用いただくか、 完全差動入力のSAR の入力の前段にシングル差動変換の差動AMPをご利用ください。 AD4003ではADA4940-1やADA4945-1が利用可能です。
QAD9226 (ADコンバータ) データシートに記載されている以下のOutput Enableの仕様は、どのような意味なのでしょうか?
QDDSのロジック出力であるSIGN BIT OUTをクロックとして使用するとジッタが大きい理由を教えてください。
DDSはMCLKに入力される低ジッタの基準クロックを分周し、使用します。 ロジック出力であるSIGN BIT OUT からは分周した際の最上位ビットが出力されます。 DDSの出力設定周波数が、MCLKの1/(2の整数倍)である場合は、基準クロックに近い低ジッタのクロックが出力されます。 DDSの出力設定周波数が、それ以外である場合は、最上位ビットが変化するタイミングがずれるため、ジッタが大きくなります。 そのような場合、IOUTとIOUTBから正弦波を出力し、LPFに入力し、LPFの出力をVINに入力し、内蔵コンパレータの出力をSIGN BIT OUTから出力することにより、低ジッタのクロック出力を生成できます。
QADCをAMPでドライブしていますが、キックバックが大きくて困っています。事前に確認することはできないのでしょうか?
アナログデバイセズ社の以下のWebサイトにある ADI Precision Studio で確認可能です。 ADCドライバーをクリックすると、ADCドライバーツールに入ることができます。 その中で、ADC型名とDriver AMP型名を選択し、周波数やFilterの抵抗値、容量値を設定し、Input Settingの画面を選択すると以下のようにキックバック波形を確認することができます。
使用方法について、ご質問および相談があれば、以下の問い合わせ先にご連絡ください。
Q高速DACの出力モードにノーマルモード、RZモード、MIXモードがありますが、これはどのように使い分ければよいのでしょうか?
DAC更新周波数fsに対し、ノーマルモードでは、First Nyquist Zoneではキャリヤ信号を出力できますが、 Second Nyquist Zoneでは、キャリヤ信号が小さくなります。 RZ(Return to Zero)ではFirst Nyquist Zone、Second Nyquist Zone、 Third Nyquist Zoneではキャリヤ信号を出力できますが、すべてのZoneで6dB以上の電力が損なわれます。 MixモードではFirst Nyquist Zoneではキャリヤ信号を出力できませんが、Second Nyquist Zone、Third Nyquist Zoneでは、 RZモードより大きなキャリヤ信号を出力できます。 モードを変更することで、3つのNyquist Zoneのどこにでもキャリヤ信号を発生できます。
QΣΔ ADCのフィルタ特性をシミュレーションで確認できないでしょうか?
アナログデバイセズ社の以下のWebサイトにある ADI Precision Studioで確認可能です。 Virtual Eval Toolをクリックすると、Virtual Eval Tool(コンバータ用ツール)に入ることができます。 その中で、ADC型名を選択し、Filter設定や、Desired throughput Timeなどを設定し、 H(f) responseの画面を選択すると以下のようにフィルタ特性を確認することができます。
使用方法について、ご質問および相談があれば、以下の問い合わせ先にご連絡ください。
Qアナログ・デバイセズ社のキャリブレーション機能付きADC製品について、内部ゼロスケール・キャリブレーションと内部フルスケール・キャリブレーションの違いを教えてください。
内部ゼロスケール・キャリブレーションは、オフセット誤差を最小限に抑える校正処理です。内部フルスケール・キャリブレーションは、ゲイン誤差を最小限に抑える校正処理です。
手順としては、まず内部フルスケール・キャリブレーションを実行し、下図の様なゲイン誤差を最小に抑えます。
理想的にゲイン誤差が最小に抑えられた後にオフセット誤差を最小に抑えるため、内部ゼロスケール・キャリブレーションを実施します。
このように内部フルスケール・キャリブレーションと内部ゼロスケール・キャリブレーションを実行することでゲイン誤差とオフセット誤差を最小に抑えることが可能となり、理想的な信号に近づけることができます。
内部フルスケール・キャリブレーションを実行すると選択した正のアナログ入力ピンが切断され、フルスケール入力電圧がこのキャリブレーション用に選択したアナログ入力に自動的に接続されます。 負のアナログ入力ピンについてはキャリブレーション中にノイズの影響を与えないために、GNDに接続することをお勧めします。 また、フルスケール誤差を最小限に抑えるため、チャンネルのゲインを変更するたびにフルスケール・キャリブレーションを実行することをお勧めします。 内部ゼロスケール・キャリブレーションも同様に、選択した正のアナログ入力ピンが切断され、選択した負のアナログ入力ピンに内部で接続されます。 上記と同様に選択した負のアナログ入力ピンをGNDに接続することをお勧めします。
Qアナログ・デバイセズ社のキャリブレーション機能付きADC製品について、システム・ゼロスケール・キャリブレーションとシステム・フルスケール・キャリブレーションの違いと実行手順を教えてください。
システム・キャリブレーションは、内部キャリブレーションがADCのみでの校正に対し、外部信号が入力された状態で外部回路も含めて校正することができます。 また、内部キャリブレーション同様にフルスケール・キャリブレーションとゼロスケール・キャリブレーションがあり、それぞれ以下の手順で実行する必要があります。
(※システム・キャリブレーションを実行する前に#Q2-0012に記載のある内部キャリブレーションを実行してください。)
① 始めにシステム・ゼロスケール・キャリブレーションを実行する必要があります。選択したチャンネルのアナログ入力ピンにゼロスケール信号を入力します。 システム・ゼロスケール・キャリブレーションを実行すると計測したオフセット係数が選択したチャンネルのオフセット・レジスタに格納されます。 これにより入力信号をゼロスケールに設定することができます。 システム・ゼロスケール・キャリブレーションは、チャンネルのゲインを変更するたびに実行する必要があります。
② 次にシステム・フルスケール・キャリブレーションを実行します。選択したチャンネルのアナログ入力ピンにフルスケール信号を入力します。 システム・フルスケール・キャリブレーションを実行すると計測したフルスケール係数が選択したチャンネルのゲイン・レジスタに格納されます。 これにより入力信号をフルスケールに設定することができます。 フルスケール・キャリブレーションは、チャンネルのゲインを変更するたびに実行する必要があります。 フルスケール・キャリブレーションを実行する場合は、1個のチャンネルのみを選択します。
QIQデジタル変調器付きDACであるAD9148の変調器機能を無効化することは可能でしょうか?
Q逐次比較型ADCである、AD765xシリーズ、AD765x-1シリーズ、AD7656A、AD7656A-1について、シリアル通信でデータ読み出しを行う際にデータ読み出し直前やデータ読み出し中にCONVSTピンをLowに落とした場合、データ読み出しは可能でしょうか?
可能です。
まず始めにデータ読み出しを行うためには、BusyとCSがLowであることが条件となります。データ読み出しを実行する手順は以下の通りです。
1. CONVSTピンをHighにします。
2. CONVSTピンをHighにするとBusyピンがHighとなり変換が開始されます。変換が終了するとBusyはLowになります。
3. BusyがLowになった後、CSピンをLowにすることでDOUT端子よりデータが出力されます。シリアル通信であるため、MSBから出力が開始されます。
上記手順において、CONVSTピンのHigh信号はBusyを開始させますが、BusyがLowになった後であればCONVSTピンをLowにするタイミングはいつであってもデータ読み出しには一切影響ありません。ただし、データ読み出し中に再度CONVSTピンをHighにして変換を開始するとエラーが出る可能性があるため、一度行ったデータ読み出しが完了してから次の変換を実行するようにしてください。
その他、類似製品でのご質問などはお問い合わせください。
Q圧力センサ用AFE(アナログフロントエンド)のMAX40109は、どの様な抵抗ブリッジセンサに使用できますか?
MAX40109は、約2kΩ以上の抵抗ブリッジセンサをターゲットとしております。
MAX40109は、DRV端子から電圧/電流駆動が可能なAFEですが、ドライブ電流に制限があります。
電圧駆動を行う場合、1.8V/2.3V/3.3V/4.0Vから駆動電圧を選ぶことができますが、供給電流の最大値が2mAとなっているため、120Ωや350Ωなどの抵抗ブリッジの場合、センサ電圧が0.12Vや0.35Vとなります。
MAX40109の入力端子は、0.6V以上のコモンモード入力電圧を必要とするため、使用できません。
また、電流駆動の場合、供給可能な最大電流値が750uAとなっており、120Ωや350Ωのブリッジでは、やはりコモンモード入力電圧が0.6V未満となるため、使用できません。
その他、類似製品でのご質問などはお問い合わせください。
Qアナログデバイス社製の3相電力向け電力計測ICで二電力計法での測定可能でしょうか?
Qアナログフィルタ内蔵のΣΔADCにおいて、入力信号帯域に合わせてアナログフィルタのカットオフ周波数を変更することはできますか?
ADAQ7768を例に回答します。 ADAQ7768は以下の図1のようにアクティブローパスフィルタとデジタルフィルタが内蔵されています。 アクティブローパスフィルタがアナログアンチエイリアシングフィルタとして働きます。ADAQ7768のアナログアンチエイリアシングフィルタのカットオフ周波数は固定です。
図100のように、ADAQ7768の入力信号帯域幅は、プログラマブルなデジタルフィルタで決定されます。
アナログアンチエイリアシングフィルタは、サンプルリング周波数付近のノイズフィルターとして 働きます。図101に記載のように、アナログアンチエイリアシングフィルタの-3dBコーナーカットオフ周波数は 330kHzで固定です。
アプリケーション・ノートAN-388に記載のとおり、ΣΔADCのデジタルフィルタはサンプリング周波数Fms、デジタルフィルタで制限される信号帯域fbにおいてkFms±fb(kは整数)の帯域のノイズの除去ができないため、アナログアンチエイリアシングフィルタが必要で、その-3dBコーナーのカットオフ周波数を信号帯域に合わせて変える必要はありません。
Q内蔵リファレンス電圧源を持っているDACについて、外付けリファレンス電圧源を使用する際、内蔵リファレンス電圧源と外付けリファレンス電圧源を切り替える前に、外付けリファレンス電圧を印加しても良いでしょうか?
製品により異なります。それぞれの製品のデータシートにてご確認頂く必要がございます。
例えば、AD5692Rの場合、データシートの「External Reference」のところに「内蔵リファレンスは、デフォルト でパワーアップ時にオンになっています。外付けリファレンスをピンに接続する前に、コントロール・レジスタの REF ビット (ビット DB12)に書込みを行って、内蔵リファレンスをディスエーブルしてください。(the default condition of the on-chip reference is on at power-up. Before connecting an external reference to the pin, disable the internal reference by writing to the REF bit (Bit DB12) in the control register.)」と記載がございます。
この場合、AD5692Rに電源を供給した時点では外部リファレンス電圧源をOFFの状態として頂き、AD5692Rのレジスタ設定にて内蔵リファレンス電圧源をOFF(ディスエーブル)した後に、外部リファレンス電圧源をONして下さい。
また、例えば、AD3551Rの場合、VREF端子はパワーアップ時にはフローティング状態となっており、レジスタ設定での切替前に外付けリファレンスをピンに接続することが出来る旨がデータシートに記載されております。
このように、製品個々で仕様が異なるため、データシートでのご確認をお願いいたします。 多くの場合、「THEORY OF OPERATION(動作原理)」のリファレンス電圧に関するところや、「Pin Function Descriptions(ピン機能表)」、またはレジスタ設定の詳細説明のところに記載されております。
Q電力計測ICであるADE9153Aのデータシートには、IAP端子をIAMS端子と接続し、IAN端子をGND端子と接続していますが、評価ボードでは、IANとIAMS、IAPとGNDが接続されています。どちらが正しいのでしょうか?
Qアナログデバイセズ社のA/Dコンバータなどの評価ボードで使われるACEソフトウエアとは何ですか?また、Plug-Inとは何ですか?
ACEとは解析(Analysis)、制御(Control)、評価(Evaluation)の頭文字をとった略で、アナログデバイセズ社の評価ボードの制御ソフトウエアです。 PC上でレジスタマップが視覚的に表示され、クリックで簡単に設定変更でき、出力波形などもリアルタイムで確認できるツールです。
また、Plug-InはACEをベースとして動くソフトウエアであり、A/DコンバータやD/Aコンバータなど色々な製品それぞれ個別に用意されているGUIや制御機能です。 ACEをサポートする製品の一覧は下記のリンクから確認頂けます。
https://www.analog.com/jp/resources/evaluation-hardware-and-software/evaluation-development-platforms/ace-software.html
必ず最初にACEをインストールしたあとにPlug-Inをインストールしてください。
例)クロックシンセサイザ「AD9545」のPlug-In画面
QすでにPCにインストールしたACEソフトウエアのバージョンを評価ボードに応じて変えたい場合があります。たとえば 40Msps/20bitのEVAL-AD4080などは、ユーザーズガイドを見ると、最新の1.3.0でなく古い1.18バージョンに変える必要があるようです。 アンインストールはどうするのですか?
PCに他のバージョンのACEが既にインストールされている場合は、まずそれをアンインストールする必要があります。
そのあとで変えたいバージョンのACEをインストールし、製品のPlug-Inをインストールします。
Windowsの [設定]→[アプリ]→[アンインストール] による方法では、不要なファイルを削除しきれず、ACEを再インストールした後に Plug-inのインストールがうまく行かない(Plug-Inが正しく動かない)場合があります。
PCに他のバージョンのACEが既にインストールされている場合、そのACEのインストールされているディレクトリにuninstall.exeというファイルが ありますので、それを実行してください。手順は下記を参考にしてください。
https://wiki.analog.com/resources/tools-software/ace/installscrub
QΣΔADCの外付け水晶発振子を使用することで、内蔵CLKを使用するより実行分解能は改善しますか?
アナログデバイセズの一部のΣΔADC は、以下のように内蔵CLK を使用することもできますが、外部に水晶発振子を設置し、内部CLKを生成することも可能です。 水晶発振子ではなく、クロック(水晶発振器)を設置し、内部CLKを生成することも可能です。
外部水晶発振子
外部クロック
AD7173-8は、外部から供給されるクロックを使うこともできます。このような構成を必要とするシステムの場合、外部クロックをXTAL2/CLKIOピンに接続してください。
外付け水晶発振子を使用することで内部CLKの精度は、内蔵CLKより改善できますが、実行分解能の改善は期待できません。 内部CLKの精度が高くなることにより、ΣΔADCに内蔵されたデジタルフィルタの精度は改善します。
クロック(水晶発振器)を使用した場合も、同様です。
水晶発振子は、クロック(水晶発振器)より安価ですが、水晶発振子の発振回路にはプリント基板の寄生容量や寄生抵抗が影響するため、 これらを考慮した評価が必要でクロックを使用する場合に比べ手間がかかります。 ΣΔADCを複数使用し、同期させる場合には、水晶発振子では同期不可能で、外部クロック(水晶発振器)が必要になります。
パワー・マネジメントについて
Q昇圧型DC/DCコンバータ ICに内蔵のFETの電流容量と、出力電流の関係を教えて下さい。
内蔵FETの電流容量によって、出力電流値に制限がかかりますので、選定には注意が必要です。
下図は、一般的な昇圧型DC/DCコンバータのデータシートに記載されている内蔵FETの電流容量値です。
上記の電流容量は、取り出せる最大出力電流値ではありません。 昇圧型DC/DCコンバータの回路と各部に流れる電流を下に示します。
内蔵FETに流れ込む電流IQには、入力電流IinにコイルLによるリプル電流の半分 ΔIL/2 が加算されます。 一例として、入力電圧(Vin)=5V, 出力電圧(Vout)=12V, 出力電流(Iout)=0.8Aから入力電流がどのくらい流れて、内蔵FETの電流はどのくらいになるか求めてみます。 電力変換効率を85%と設定した場合、 入力電流Iinは、
Iin = Vout x Iout / Vin x 0.85
Iin = 12V x 0.8A / 5V x 0.85 = 2.26A
コイルLによるリプル電流を入力電流の30%と設計した場合、リプル分は0.68Aとなり、内蔵FETに流れる 電流 (=入力電流のピーク値)は、
IQ=2.26A + 0.68A/2 = 2.6A
この電流を流せる電流容量を持ったICを選定しなければなりません。 上図にあげた製品の電流容量はミニマムで3Aですので、使用については問題ありません。 実際の設計では、電力変換効率を見積もるさいは、昇圧コンバータICの製品データシートに記載の効率カーブや、アナログ・デバイセズ社から提供されている無料のシミュレーションツール LTspiceR を使うと便利です。 また、今回はリプル電流を入力電流の30%に設定しましたが、こちらも設計される回路に最適な値を選んで頂ければと思います。 こちらも昇圧コンバータIC製品のデータシートにコイルの選定方法の記載がありますので参考にしてください。
QADP5071において、コイルのインダクタンス値を計算する際、Ioutは出力電流の最大値、最小値のどちらでしょうか?
また、データシート18ページに記載のように、コイルのインダクタンス値は1μH~22μHの範囲であれば任意の値でよいということなのでしょうか?
QLT3439を使用して試作基板を作成して評価をしています。ほぼ無負荷で運転しているとLT3439の表面温度が上昇します。無負荷で運転させてはいけないのでしょうか?
LT3439データシートの6ページの“No Load Operation”に、無負荷運転で安定である旨の記載があります。 温度上昇については、ご使用されているトランスや周辺部品の定数が適切かどうかをデータシートでご確認下さい。 スイッチング電源は、無負荷、または軽負荷で動作が不安定になる場合があります。 データシートで無負荷または軽負荷での動作の記載の有無とその内容をご確認下さい。 また、 LTpowerCAD 、 LTspice 等シミュレータを用いゲイン・位相特性(ボーデ線図)を確認下さい。
QLTC4020において、降圧だけで使う場合は、昇圧用FET2個(下図赤枠)は未実装でも良いのでしょうか?
QLT8357を昇圧回路で使用しています。EN端子にDutyを徐々に大きくするPWM信号を入力して、出力電流をコントロールするような使い方は可能なのでしょうか?
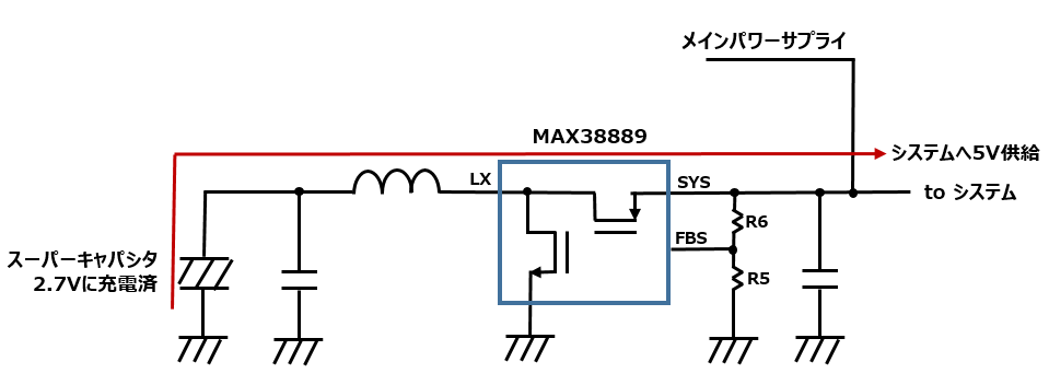
QMAX38889 評価ボード(MAX38889AEVKIT)の回路構成では充電電圧が2.7V程度となっていますが、実際のシステムでは5Vを供給します。充電電圧2.7Vから5Vを供給できるのでしょうか?
Q正電源の降圧型μModuleを使って負電源を作ることは出来ますか?
Q旧リニアテクノロジーのパワーマネージメント製品のサフィックスでE, Iの動作温度範囲は同じですが何が違うのでしょうか?
QPSM(パワーシステムマネージメント)製品の内蔵EEPROMの容量は、どの程度ですか?書き換え回数は何回まで可能でしょうか?
QLTC4060/バッテリチャージャ にて、NiMHの充電が終わりません。原因を教えてください。
Q出力電流が100A以上もあるようなμモジュールで、100A引くには放熱設計やディレーティングが必要でしょうか?
LTM4700等のμModuleレギュレータ製品は、周囲温度50℃環境で、ファンなどの放熱対策を行うことなく、100%負荷を引くことが出来ます。 データシートには下図のようにディレーティング特性が出ていますので、設計時の参考にして下さい。
ADIはμModuleレギュレータの熱性能を改善し、15mm×15mmという寸法を維持しつつ、出力電流密度を高めることを目標に開発を進めて来ました。 熱性能に優れたBT積層基板を採用し、放熱効果を持つインダクタを上部に配置しました。 そのような努力を重ねて、15mm X 22mm X 7.87mmのパッケージに100A出力対応可能なμModuleレギュレータLTM4700の製品化に成功しました。 Analog Dialogueの記事も合わせてご覧下さい。
μModuleレギュレータの進化、100A出力を達成するまでの足跡をたどる
Qアナログ・デバイセズ社の絶縁型ゲートドライバを使用してSiC MOSFETやGaN E-HEMTをドライブすることは可能でしょうか?
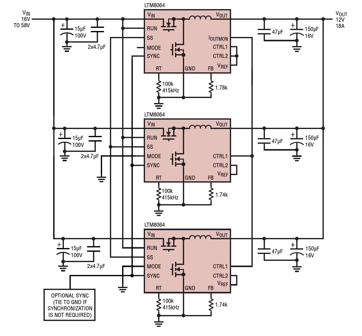
Q降圧型DCDCコンバータモジュールであるLTM8064を3並列で使用することは可能でしょうか?
可能です。
データシートに記載のある参考回路では2並列の回路図となっておりますが、下記の様に設定することで2台以上のLTM8064を並列に接続して使用可能となります。
1. マスタのIOUTMONを各スレーブのCTRL1ピンに接続します。
2. マスタのVOUT、SS、RUNピンをスレーブの対応するピンに接続します。
3. 全てのスレーブ・デバイスのMODEピンを接地します。
4. マスタ・デバイスのMODEピンをフロート状態にします。
5. マスタのFB抵抗の値は、下式を使って求められます。
RFB(MASTER) = 19.44÷(VOUT-1.2) [k?]
6. 各スレーブのFB抵抗の値は、マスタのFB抵抗より小さい標準1%抵抗値か、または概算で
0.98×RFB(MASTER)
にする必要があります。
参考回路(3並列)図面改定
Qスイッチング電源の出力電圧の立ち上がりが、ソフトスタートで設定した時間より大幅に遅くなる。どういった要因が考えられますか?
Q1次電池向け残量ゲージLTC3337で電池を取りはずした時に、レジスタ値は保管されますか?
Q昇圧コンバータのリップルを小さくするためにインダクタの値を大きくしたら発振してしまいました。 考えられる理由はありますか?
インダクタの値はむやみに大きくしないでください。
昇圧コンバータのインダクタを選定されるときデータシートやツール(LT Power CAD IIなど)の推奨値を そのままお使いください。 リップルを小さくしたいという理由で推奨値に対してインダクタンスをむやみに大きくすると、十分な位相 マージンを維持できなくなり(参考文献)、最悪の場合に発振することがあります。
参考文献:LTC3536のデータシート p16に記載
LTC3536 データシート | アナログ・デバイセズ (analog.com)
■シミュレーション回路(LTC3536の昇圧モード(1.8V→5V/0.33A)での確認
LTspiceシミュレーション結果
Q過電流/逆方向電流のコントローラICで、順方向電流検出値と逆方向電流値を任意に設定することはできるでしょうか?
インターフェイス&アイソレータについて
Q2012年頃に、絶縁のRS485トランシーバと絶縁電源が一体化されたICからノイズが出て、対策に苦労したことがありました。
2011年にリリースされたADM2682E/ADM2687Eは、内蔵スイッチング電源の周波数が180MHzであったため、シールドケースのような接地されたエンクロージャーを取り付けるか、 AN-0971( isoPower デバイスでの EMI 放射制御についての推奨事項) や AN-1109(iCouplerデバイスでの放射制御に対する推奨事項) にある基板設計のガイドラインに沿って設計する必要がありました。
2020年にリリースされたADM286xE/ADM256xE ファミリーは、スイッチング周波数が180MHz~400MHzです。これらの周波数のフィルタリングを効果的に行うため、100MHz~1GHzの周波数範囲でインピーダンスが約2kΩとなるような表面実装フェライトビーズを2個追加することで、2層PCBでCISPR32およびEN55032クラスBの要件を満たす設計が可能です。
QADuM1440 等の多チャンネルのデジタルアイソレータの未使用の端子はどのようにすればよいでしょうか?
Q防爆認証されたRS-485のトランシーバ製品はありますでしょうか?
現状、防爆認証されたRS-485トランシーバ製品はございません。RS-485は通信規格上、防爆認証の要求を満たすことが困難となります。
アナログ・デバイセズ社製デジタル・アイソレーション製品の安全および規制認証につきましては下記アナログ・デバイセズ社のWEBサイトにある表内のHazLoc/Intrinsic Safetyの列をご参照願います。
デジタル・アイソレーションの安全および規制認証 | アナログ・デバイセズ (analog.com)
QRS485/RS232等のデジタルインターフェースの製品で入出力信号の最大周波数(Hz)と最大データレート(bps)とはどのような関係になるのでしょうか?
QI2CもしくはSPIで基板間を接続する予定です。何メータ程度の配線が可能でしょうか?
QRS485製品のフェイルセーフ機能の違いについて教えてください。
RS-485/RS-422 回路の実装ガイドであるアプリケーションノート AN-960をご覧ください。 RS-485のフェイルセーフ機能は、製品が開発された世代で変わってきております。 旧世代では、AN-960の図9のように終端抵抗RT以外にVCCとGNDにプルアップ抵抗R1とプルダウン抵抗R2を設けることにより、バスノード(A点及びB点)がバスアイドル時(A点及びB点はOPEN)に1になるようにする必要がございました。
ただしADM485EやADM2486のように一部に製品では、データシートにフェイルセーフ機能が内蔵されていると記載されている製品がございます。 これらの製品では、開回路フェイルセーフのみが備わっており、フェイルセーフが機能するためには、デバイスの A ピンと B ピンの間に接続があってはなりません (終端抵抗、フェイルセーフ バイアス、またはバス上の他のノードがないことを意味します)。 ピン間に接続が存在しない場合、レシーバ出力は論理 High 出力にフェイルセーフされます。
ただし、A 入力と B 入力が終端されているか、互いに短絡されている場合、レシーバ出力は不定になります。 新世代の RS-485 では、真のフェイルセーフ・レシーバ入力を内蔵する機能強化が行われています。これにより、前例のプルアップ/プルダウン抵抗が不要になります。 トランシーバが真のフェイルセーフ機能を持つと規定することは、差動入力スレッショールド電圧(VTH)が±200mV から$2212200mV~$221230mV へ調整されていることを意味します(図 11 参照)。 バスノードがバスアイドル時(A点及びB点が同電位で差電圧は0V)に1になります。
QRS485はどのくらいの距離まで通信可能でしょうか?
QRS485でうまく通信が出来ません。波形を観測するためにオシロスコープのプローブを当てると通信できるようになります。対策方法を教えて下さい。
通信経路の反射が問題になっていると思われます。まず、終端抵抗の有無をご確認ください。半二重構成ではケーブルの両端を終端する必要があります。 全二重構成ではマスター・レシーバと最も遠端にあるスレーブ・レシーバを終端することを推奨します。なお、通信経路が長く、マルチドロップの場合、終端抵抗の位置として上記が最適とならない場合があります。 その場合は、個々のケースに合わせて終端抵抗の位置を適切に調整する必要があります。
また、プリント基板上の配線および配線ケーブルの特性インピーダンスと終端抵抗は同じ値にする必要があります。市販のケーブルは100Ωまたは120Ωのものが一般的です。 RS485及びRS422につきまして、アナログ・デバイセズ社のアプリケーションノート「AN-960: RS-485/RS-422 回路の実装ガイド」もご参考下さい。
https://www.analog.com/jp/resources/app-notes/an-960.html
QADI製品のTIA/EIA-644 LVDSに準拠したフェイルセーフ機能付きのLVDSレシーバICの入力端子がオープンになった際に出力はどのようになりますか?
ADIのフェイルセーフ機能付きLVDSレシーバICでは入力オープン時には出力をHighになります。同様に入力ショート時の出力もHighになります。LVDSレシーバIC(単機能)は、ADN4662/4664/4666/4668の4品種あり、全てにフェイルセーフ機能が搭載されています。 詳細については、ADIウェブサイトの下記のフェイルセーフ回路の理解についての技術記事をご参照ください。
LVDSのフェイルセーフ回路の理解 | アナログ・デバイセズ (analog.com)
QADI製品のセンサやアナログフロントエンドIC、ADCなどをIO-Linkに接続する方法はありますか?
QIso Power製品のスイッチング周波数が100MHz超えるような高い周波数である理由を教えてください。
QRS485やLVDSトランシーバーをバスラインに多数接続する場合に、複数のドライバーを同時にONさせることは可能でしょうか?
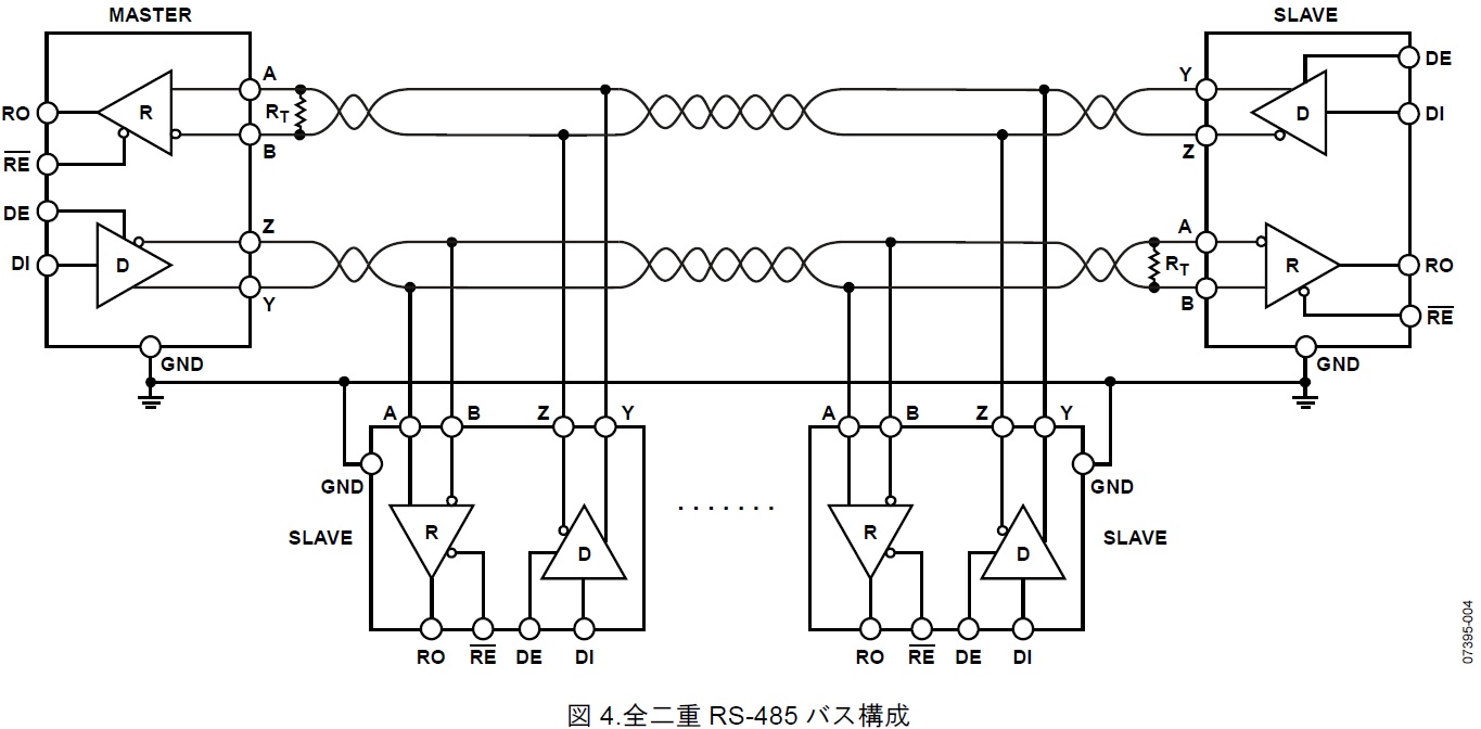
QRS485のデイジーチェーン接続とマルチドロップ接続の違いを教えてください。
マルチドロップ型接続については、アナログデバイセズのアプリケーションノートAN-960に記載 ございます。一つのバスに複数のデバイスが接続されます。
デイジーチェーン型接続については、以下のように、接続されます。 デイジーチェーン型接続については、マルチドロップ型より短いケーブルで長距離を配線でき、ケーブル故障時の交換が容易です。
またマルチドロップ型では、一つのバスに複数のデバイスが接続され、各々のデバイスとバスをつなぐスタブ配線 等の影響で信号波形が劣化しやすいですが、デイジーチェーン型は信号波形劣化が起こりにくいという点がメリットです。
マルチドロップ型接続は、マスタから直接全てのデバイスにアクセスできる点がメリットです。
Q10Base-T1LをRS485のように複数デバイスをマルチドロップ接続することは可能ですか?
RF&マイクロ波
QRF DACと直交変調器の組み合わせについて。AD9152(RF DAC)にADL5375-05(直交変調器)接続したが動作しません。なぜでしょうか?
AD9152の出力回路のバイアスレベルと、ADL5375-05の入力回路のバイアスレベルが合わない為です。 AD9152のOutput Compliance Rangeは2.3V~3.47Vです。一方、ADL5375-05のI/Q Input Bias Levelは0.5V(TYP)となっており、AD9152のOutput Compliance Rangeの範囲外となってしまいます。 RF DACと直交変調器につきまして、それぞれバイアスレベルが合う製品の組み合わせがあります。 ADL5375-05(直交変調器)はAD9122(RF DAC)との組み合わせが、シームレスにインターフェースできるように最適化されています。 ![]()
QPLLでREF入力が低い周波数の場合、正弦波は使用できないのでしょうか?
QInteger-N PLLデバイスのADF4108のADIsimPLLで“Prescaler cannot achieve contiguous channels with N=100"というワーニングが発生します。原因を教えてください。
QPLLのレジスタ設定のPD Polarityはどのような場合に使用するのでしょうか?

ポジティブチューニングVCO(Vtuneの増加=周波数の増加)で、パッシブまたは非反転アクティブループフィルタの場合、PD Polarityをポジティブにプログラムする必要があます。 ポジティブチューニングVCOで反転アクティブループフィルタをの場合、PD Polarityをネガティブにプログラムする必要があります。 ネガティブチューニングVCOでパッシブまたは非反転アクティブループフィルタの場合、PD Polarityをネガティブにプログラムする必要があります。 ネガティブチューニングVCOで反転アクティブループフィルタの場合、PD Polarityをポジティブにプログラムする必要があります 
![]()
QRF-AMPを使用する際にデータシートに記載のあるブロック図で入出力のライン上にコンデンサの記号が付いていればDCブロッキングキャパシタは不要ですか?
Q周波数シンセサイザを電源投入後、“REGISTER INITIALIZATION SEQUENCE”で周波数を設定して使用していますが、時折PLLがアンロックとなる事があります。何故でしょうか?
電源投入後にまずは“REGISTER INITIALIZATION SEQUENCE”でレジスタを設定頂き、その後“FREQUENCY UPDATE SEQUENCE”で周波数を設定してください。 “REGISTER INITIALIZATION SEQUENCE”は、電源投入後に不定となっているレジスタに設定値を入力し、ICを正しく動作させるための準備をするためのシーケンスとなっています。 このシーケンスで周波数も一緒に設定しても有効ではありません。周波数の設定は“FREQUENCY UPDATE SEQUENCE”で行うようになっております。 なお、電源ONの状態で、一度設定した周波数を変更(更新)する場合は“FREQUENCY UPDATE SEQUENCE”のみ設定下さい。 周波数変更毎に“REGISTER INITIALIZATION SEQUENCE”を実行する必要はございません。 ADF4371、ADF4372、ADF4356、ADF4355、ADF5355、ADF5356につきましては上記の手順が必要となります。 ![]()
Q周波数シンセサイザを電源投入後、必要なレジスタを設定して動作させると、期待通りに動作しません。何故でしょうか?
Qアナログ・デバイセズ社製PLL ICはLTspiceでシミュレーションできるのでしょうか?位相ノイズやロックタイムを確認したいと考えています。
誠に申し訳ございませんが、LTspiceは対応しておりません。ADIsimPLLを使えばシミュレーション可能です。 以下URLのアナログ・デバイセズ社のWEBサイトからダウンロードし、PCにインストール頂ければ使用できます。
ADIsimPLL | Analog Devices
また、以下URLにADIsimPLLの使い方を説明したビデオがございます(YouTubeサイトになります)。
ADIsimPLL? シミュレーション・ツールの使い方
不明点がございましたら弊社までお問い合せ下さい。
なお、上記アナログ・デバイセズ社のWEBサイトにはRFシグナル・チェーンのカスケードゲイン、ノイズ指数、IP3、P1dBならびに総合消費電力を言った重要なパラメータを計算できるツールもございます。 ![]()
QRFスイッチのHMC550AやHMC574AMS8Eは帯域がDC~と記載されています。DC直結は可能なのでしょうか?
QRFアッテネータADRF5700やADRF5714は端子名がATTINやATTOUTと入力、出力の記載があります。 信号の方向は決まっているのでしょうか(ATTOUTに入力、ATTINから出力には対応していないのでしょうか)?
ADRF5700、ADRF5741は双方向に対応しております。 例えば、ADRF5700の場合、データシート13ページの「RF INPUT AND OUTPUT」のところに “The ADRF5700 supports bidirectional operation with equal power handling capability.” と記載がございます。またADRG5741もデータシート12ページの「RF INPUT AND OUTPUT」に “The ADRF5714 supports bidirectional operation at the same power level.” と記載がございます。 なお、双方向に対応しているかどうかは製品により異なります。確認方法はデータシートで例えば“bidirectional”といったワードで検索をかけて頂き、上記のような記載があるかご確認ください。 また、不明点がございましたら弊社までお問い合せ下さい。 ![]()
QRF信号のレベル測定に使用されるRMS Detector とLog Detectorの違いを教えてください。
Q可変アッテネータHMC346のアッテネータの調整方法を教えて下さい。
Qアナログ・デバイセズ社のADIsimRFを使っています。以前のバージョンに戻そうとしても新しいバージョンがインストールされてしまいます。以前のバージョンに戻すことは出来ないでしょうか。
ADIsimRFのインストールは、インストーラがネット経由で最新のバージョンをインストールしようとするため、以前のバージョンに戻すことができません。
対策として、Rev1.9のオフライン版を入手してインストールする方法があります。
下記URLのアナログ・デバイセズ社が運営している、EngineerZoneRサイトにて入手可能です。
ADISimRF offline version - Q&A - Design Tools and Calculators - EngineerZone ![]()
QADI製品のSパラメータはWebに公開されていますか?
センサー&MEMSについて
QADXL355の最小分解能は、何gでしょうか?
Q加速度センサーは、磁界の影響をうけますか?
QADXL362等のデジタル出力の3軸加速度センサーにおいて、アクティブ/インアクティブ検出を行う際に、リファレンスモードを使用予定です。リファレンス値は、3軸それぞれ別の値が設定されるのでしょうか? リファレンスの初期値は、どのように設定されるのでしょうか?
QADT7310等のデジタル出力の温度センサーにおいて、CONTINUOUS READ MODEでRDYを使用しない場合に、稀に異常な測定値を読み出すことがあります。何故でしょうか?
Qデジタル出力の3軸加速度センサーのアクティブ検出時間について教えてください。アクティブ検出時間を500msに設定し、X軸、Y軸、Z軸それぞれ連続して200msアクティブ検出閾値を超えた場合、累積で600msとなります。この時アクティブ検出されるのでしょうか?
Q加速度センサーでどのように角度を測定すればよいのでしょうか?
加速度センサーによる傾き検出のアプリケーションノートAN-1057をご覧ください。
1軸(Ax)のみであれば傾きθは、Ax_out(g)=1(g) x sin(θ)であるため、θ=arcsin(Ax_out)で求められます。 
θの単位はラジアンであるため、(180/π)を掛けて、角度(°)に変換します。1軸のみの場合、180°回転した場合と同じ値になり、360°の範囲で測定ができません。2軸以上であれば360°の範囲で測定可能です。 2軸(AxとAy)の場合、θ=arctan (Ax_out/ Ay_out)で求められます。 
3軸の場合、θ を水平線と加速度センサーのx軸との角度、ψ は水平線と加速度センサーのy軸との角度、φは重力ベクトルとz軸との角度とすると、それぞれは以下の式で求められます。
θ=arctan (Ax_out/ √(Ay_out^2+Az_out^2))
ψ=arctan (Ay_out/ √(Az_out^2+Ax_out^2))
φ=arctan (Az_out/ √(Ax_out^2+Ay_out^2)) 
![]()
Qデジタル出力の3軸加速度センサーにおいて、バースト転送とはどのような動作でしょうか?
ADXL367を例に回答します。ADXL367のデータシートの図4、図5のようにCS信号がLになった後にインストラクションとアドレスを指定後、CS信号をLのまま連続して複数バイトのデータを読み出す又は書き込む動作です。 
例えば、X軸、Y軸、Z軸の加速度データと温度データは2BYTEで構成されています。 X軸の加速度データの上位XDATA_H[7:0]は 0x0E[7:0]に、下位XDATA_L[7:0]は0x0F[7:0]に保管されています。 以下の図のように0x0E[7:0]の8ビットを読み出した後にアドレスを指定することなく、0xF[7:0]を読み出すことができます。 書き込み可能なTHRESH_ACT_HとTHRESH_ACT_Lのよう2BYTEのレジスタは書き込みも同様にバースト転送できます。 
![]()
Qデジタル出力の3軸加速度センサーにおいて、温度レジスタの値からどのように温度を計算すればよいでしょうか?
ADXL367を例に回答します。ADXL367の25℃時の温度レジスタの取得値(10進数)は、データシートのFigure39のようにデバイス毎に大きくバラツきます。したがって、温度レジスタの取得値をデバイス毎に補正する必要がございます。 
データシートの表1にように温度によるコードの変化であるSensitivity値を54LSB/℃とします。 
ある温度T1での温度レジスタの取得値がC1(10進数)であったデバイスで説明します。温度変化後にレジスタの取得値がC2になった場合、変化後の温度T2は、以下の計算式で計算できます。 T2 = (C2-C1)/54 + T1 例えば、T1=23℃、C1=1456のデバイスの場合、C2=2806であれば、その時の温度は43℃になります。
Sensitivity値もFigure40のデバイス毎にバラツきます。そのため、精度を高くするには、Sensitivity値も補正が必要になります。 
![]()
Q加速度センサーで出力を平均化することは可能ですか?
iButton
Q温度ロガーのiButtonの温度データが規定メモリ数を超えた場合、新しいデータは記録されないのでしょうか?
温度ロガーDS1921Gを例に説明いたします。 DS1921Gはデータシートに記載のとおり、2048個までの温度データが保存可能です。 iButton温度ロガーは、使用開始時に初期設定を行います。 以下リンクからOneWire ViewerをDL、PCにインストールし、初期設定が可能です。
OneWire Viewer DLはこちら
DS1921GにOneWire Viewer を使用しPCから初期設定を行う際に、START New Missionをクリックすると、Initialized New Missionのwindowが ポップアップします。 Enable Rolloverをチェックすると、2048を超えた場合新しいデータがメモリ保存され、古いデータは消去されます。 チェックを外すと2048を超えたデータは保存されなくなります。 
![]()
QデータロガーのiButtonは、屋外でも使用できますか?
Thermochron ( DS1922L、 DS1922T、 DS1921G )とHygrochron (DS1923) iButton データロガーはIP56認定の耐水性をもっております。 屋外で使用する場合、IP56の保護レベルを越える環境の下にさらす事が無い様に注意が必要です。 冠水するような用途には、防水カプセルDS9107 をご利用ください。 IP56と防水カプセルについては、以下リンクからご確認ください。
IP56&防水カプセルについて
iButtonは使用温度範囲が製品毎に異なりますので、屋外で使用する場合、直射日光によりその温度範囲を超えないように注意してください。 ![]()
Q温度ロガーのiButtonは、充電し繰り返し使用できますか?
iButtonは1次電池が内蔵されており、充電はできません。 1電池を交換することもできません。 温度ロガーDS1921Gを例に説明いたします。 DS1921Gはデータシートに記載のとおり、 
使用条件で異なりますが、常温では標準的に5年以上の使用が可能です。標準使用期間は製品型名毎に異なるため、それぞれのデータシートをご確認ください。 使用期間内であれば、測定(ミッション)を終了させ、新しい測定(ミッション)を行うことで繰り返し使用可能です。 以下リンクからOneWire ViewerをDL、PCにインストールし、初期設定し、再測定が可能です。
OneWire Viewer DLはこちら
OneWire Viewerで、DS1921GにPCから初期設定を行う際に、START New Missionをクリックすると、Initialized New Missionのwindowがポップアップします。 初期設定を行い計測(ミッション)を開始すると古いデータは消去されます。 
![]()
Q温度ロガーiButtonのヒストグラムモードは何回測定可能でしょうか?
Q温度ロガーiButtonの測定回数は決まっていますが、それを超える回数の測定結果を全て記録することは可能でしょうか?
Q温度ロガーのiButtonで、リアルタイムでの温度モニターがエラーになるのは何故でしょうか?
OneWireViewer User's Guide の23ページのNoteに "The Real-Time Temperature viewer cannot read the temperature of a Thermochron (DS1921, DS1922, or DS1923) that is currently running a mission." と説明が記載されております。DS1921とDS1922とDS1923では、温度ロギングのミッションを実行時にはリアルタイムでの温度モニターは動作しません。 ![]()
Q温度ロガーのiButtonの最小測定間隔は1分ですか?
QOneWireViewerソフトウェアでiButtonのSampling Rateを設定、OKボタンを押しても、正しく温度データを取得できないことがあります。なぜでしょうか?
Q温度ロガーのiButtonは、振動試験を実施していますか?
DS1922の振動試験を下記リンクよりダウンロード可能です。
DS1922振動試験データ ![]()
Qダイトロンが提供するOneWireViewer日本語版ソフトウェアは、Windows11に対応していますか?
対応しています。
QiButtonで表面温度を測ることは可能でしょうか?
iButtonは周囲の環境温度を測ることは可能ですが、接触させた対象物の表面温度を正確に測ることは困難です。
iButtonの温度センサはステンレス製の缶の中に収められています。缶全体が同じ温度になれば、缶の内部もその温度になります。一方、缶の一部のみが測定したいものに接触している場合、接触していない部分から周辺の空気中にその温度が逃げていく(放熱される)事になり、缶の内部は接触面の温度と異なった温度になります。従って、接触している状態では対象物の温度を正確に測定することは困難です。 例えば、ヒトやペットなどの動物の皮膚温度、装置類のケースの表面温度、建物の床や壁の表面温度などは上記理由により温度を正確に測定することは困難です。 ![]()
QiButton温湿度ロガーDS1923のカタログのメモリ容量に8k/4kと記載ありますが、これはどういうことでしょうか?
温度も湿度も8ビット形式と16ビット形式のどちらかでも記録可能です。 温度は8ビット形式で0.5℃、16ビット形式で0.0625℃の分解能で記録されます。湿度は8ビット形式で0.64%RH、16ビット形式で0.04%RHの分解能で記録されます。 データログメモリは、8 ビット形式で 8192 エントリ(ポイント数=記録回数)、または 16 ビット形式で 4096 エントリを保存できます 。 温度と湿度が両方とも8ビット形式での場合、メモリは 4096エントリ、16ビット形式の場合 2048 エントリを保存できます。 したがって添付Brochureの3頁の8K(温度)4k(温度/相対湿度)は、温度のみ8ビット形式を記録した場合8192エントリ、温度と相対湿度を8ビット形式で記録した場合、4096 エントリを記録できることを表わしています。 
![]()
QiButtonの温度の反応速度はどのくらいでしょうか?
QiButtonは真空中で使用出来ますか?
QiButtonの校正証明書は入手出来ますか?
DS1921G、DS1922L、DS1922T、DS1922E、DS1923につきましてはNISTトレーサブル証明書を入手可能です。 アナログ・デバイセズ社の以下のURLにアクセス頂き、デバイスの64ビット(16文字)のROM IDをご入力いただくと証明書を入手頂けます。
Thermochron NIST Traceable Certificates | アナログ・デバイセズ
なお、概ね10年以上前の製品には対応しておりませんのでご了承願います。 ![]()
Q数多くのiButtonを使用したいと考えています。複数個のiButtonをPCに接続して同時に設定、及び同時に測定データの取得(PCへの測定データの取り込み)をすることは可能でしょうか?
QiButtonのソフトウェアOneWireViewerのマニュアルはありますか?
アナログ・デバイセズ社のWEBサイトの以下のURLにクイックスタートガイドとユーザーガイドがございます。
https://www.analog.com/jp/resources/evaluation-hardware-and-software/1-wire-sdks/viewer.html
または、弊社のWEBサイトの以下のURLに、弊社が提供しております日本語版のソフトウェアとマニュアルがございます。
https://www.daitron.co.jp/products/adi_ibutton.html ![]()
QiButtonのソフトウェア OneWireViewerはWindows11に対応していますでしょうか?
OneWireViewer(英語版)につきましては、アナログ・デバイセズ社のWEBサイトのクイック・スタート・ガイドによると、「WindowsR 10、Windows 7ならびにそれより前のバージョンのWindows上で動作します。」と記載されていまが、正式にはWindows11に対応していると規定されておりません。しかし、これまでWindows11上でも動作している事例が多くあります。
お使いいただくPCや既にインストールされているソフトウェアなどによって違いが出る場合がございます。 なお、弊社が提供しておりますOneWireViewer(日本語版)はWindows11上で動作することを確認しております。
ただし、全てのWindows11 PC上で動作を保証するものではございません。 OneWireViewer(日本語版)は以下のURLのサイトからダウンロードいただけます。 また、弊社オリジナルのiButtonソフトウェア(DaiButtonソフトウェア(体験版))はWindows11に対応しております。こちらも以下のURLのサイトからダウンロードいただけます。
https://www.daitron.co.jp/products/adi_ibutton.html![]()
QiButton用のソフトウェアを起動する際に解除番号(8桁)の入力が求められます。解除番号を教えて下さい。
8桁の解除番号は、アナログ・デバイセズ社並びに弊社から提供しているソフトウェアのものではございません。そのため、アナログ・デバイセズ社並びに正規代理店からは、解除番号を発行することは出来ません。
アナログ・デバイセズ社から無償で提供されているソフトウェア(英語版)の使用をご検討下さい。または、弊社にて英語版を日本語版にしたソフトウェアを提供しています。以下URLからダウンロードいただけます。
https://www.daitron.co.jp/products/adi_ibutton.html
また、弊社オリジナルのソフトウェア(DaiButtonソフトウェア(体験版))もございます。こちらも是非ご検討ください。
以下のURLのサイトからダウンロードいただけます。
https://www.daitron.co.jp/products/adi_ibutton.html![]()
QiButtonの原産国を教えて下さい。
Q複数個のiButtonを使って、同時に(同じ時刻に)測定することは可能でしょうか?
弊社オリジナルのiButtonソフトウェアDaiButtonソフトウェア(体験版)をご使用頂ければ可能です。 ただし内蔵している時計の精度の問題もあり、長期間にわたって秒単位の精度で同時に測定することは困難です。 例えばDS1921Gの場合、25℃の環境下で、1か月で+2分から-1分程度の誤差があります(保証値ではありません。)。 DaiButtonソフトウェア(体験版)は以下のURLのサイトからダウンロードいただけます。
https://www.daitron.co.jp/products/adi_ibutton.html![]()
QiButton用の廃棄方法について教えて下さい。
QiButtonは防爆対応でしょうか。
DS1904G、DS1921G、DS1922L、DS1922T、DS1923はUL913 クラス1 グループA、B、C、Dの認証を取っております。但し、DS1923は生産終了となっています。
下記、アナログ・デバイセズ社のWEBサイト 「iButton認定」のページをご確認ください。
https://www.analog.com/jp/lp/001/ibutton-certifications.html ![]()
QiButtonの電池寿命を少しでも伸ばせる方法があれば教えて下さい。
下図はiButton DS1921Gのデータシートに記載されている製品寿命のグラフです。概ね電池寿命と同じと考えて頂いて結構です。 このグラフから、製品の寿命は温度と測定頻度に影響されることが分かります。 30℃を超えて高温になると寿命が短くなります。また、測定頻度を多くすると寿命が短くなります。
例えば、
・毎分測定する場合、25℃では寿命が5年半くらいですが、60℃では2年半程度です。
・25℃で3分毎に測定する場合は約8年ですが、10分毎では約9年となります。
・測定しなくても25℃環境下に放置すると約10年で寿命となります。
これらの数値は何れも参考値です。 
少しでも寿命を長くするには、使用しないときは0℃から30℃くらいまでの環境下で保管し、時計機能をOFFにすることをお勧めします。 時計機能をOFFするには、OneWire Viewerの「Clock」タブにある「Halt Real-Time Clock」クリックしてください。 
OFFすると「Clock」タブの「Current Time」の欄が「Clock is not running」と表示されます。 OneWireViewer(日本語版)の場合、「時計」タブにある「リアルタイムクロックを停止」をクリックしてください。 
再度使用する際は、「Synchronize Clock to PC Time」をクリックしてください。時計機能がONとなり「Current Time」の欄に時刻が表示されます。 
![]()
スイッチ・マルチプレクサ
QADG441等のChannel ON Leakage Currentとは、何ですか?
ADG441のChannel ON Leakage Current Id,Is とは、ChannelとSourceとDrainからVDDとVSSへ流れ込む電流の総和になります。スイッチOFF時のリーク電流(Drain OFF Leakage)に加え、リーク電流はスイッチ・マルチプレクサ製品を選定する際の重要な仕様です。リーク電流は、温度や電源電圧によっても変化します。特性については、各製品のデータシートをご確認下さい。 ミニチュートリアルMT-088には、スイッチ・マルチプレクサに関する基本的な内容が記載されており、リーク電流に関しても詳しく書かれています。
Q 電源がOFFの時にSW ONとなるRFスイッチ(SPST)はありますでしょうか?
Q 電源がない状態でOFFしているSW製品はありますか?
オーディオ/ビデオ
QAnalog Device社のHDMI製品のホームページに、以下の記載があります。購入条件について教えて頂けないでしょうか?
「この製品は、HDMI.org.のライセンス技術を使用しています。購入される顧客は、HDMI.org.に登録したHDMIアダプターである必要があります。」
「HDMI.org.に登録したHDMIアダプター」とは、下記サイトに記載されている会社名を示しております。
https://hdmi.org/adopter/adoptersaffiliates
登録が確認できないお客様は、販売することができません。
また、HDMI製品には、HDCP機能を持っている製品がございます。
HDCP機能を持っている製品については、HDMIアダプターとは別にHDCPライセンスも保有している必要がございます。
HDCPライセンスの保有は、下記サイトで確認しております。
https://www.digital-cp.com/licensee-list
各ライセンスの登録方法については、HDMI.org/Digital Content Protection へ直接お問い合わせお願いします。
ワイヤレス通信について
QSmartMeshは、Wi-Fiやその他のネットワークと問題なく共存できますか?
現在75,000以上のSmartMeshネットワークが全世界で稼働しており、その多くが同じ場所のWi-Fiその他のネットワークと問題なく共存しています。
2.4GHzのWi-Fiとの共存について、Wi-Fiの実効輻射電力の方が一般的に100-1000mW(20-30dBm)と大きく、SmartMeshの6mW(8dBm)よりも相当強いため、SmartMeshからWi-Fiへの干渉を心配する根拠は少なく、逆にWi-FiがSmartMeshに干渉することが課題となります。
しかし、SmartMeshの通信信頼性を確保する3つの手段により干渉の影響を受けずに安定して動作します。
① チャネル・ホッピング Wi-Fiと同じ周波数を使うのは全体の3分の1の時間だけです。
② 複数の送信先を持つ空間冗長性 Wi-Fiとの干渉は場所によって大きく変わります。
③ 時刻多重化 4ミリ秒という短い時間で通信を完結するため衝突の確率が低いです。
QSmartMesh LTP5901とLTP5902は日本の技適(技術基準適合証明等)を受けていると聞いています。どのようにして確認すればよいでしょうか?
LTP5901とLTP5902は、ETERNA2というモジュール名にて、1つのモジュール型認証の下で認証されています。 技術基準適合証明等の確認につきましては、『総務省 電波利用ポータル』サイトの『技術基準適合証明等を受けた機器の検索』ページで確認頂けます。
2025年6月1日時点でのURLは以下のとおりです。
総務省 電波利用ポータル | 技術基準適合証明等を受けた機器の検索
上記WEBサイトにて検索条件の「型式又は名称」欄に “ETERNA2” と入力いただき「検索する」ボタンをクリック頂くと「検索結果」のところに表示されます。 なお、LTP5901とLTP5902の工事設計認証番号は208-130008です。上記WEBサイトの検索条件の「技術基準適合証明番号」欄に工事設計認証番号の “208-130008” を入力頂いても検索可能です。
(なお、2025年6月1日時点で、LTP5901とLTP5902以外のSmartMesh製品で日本の技適の認証を受けている製品はございません。)
IC共通及びその他製品
QAD5116等のExposed Padは、未接続でもかまいませんか?
AD5116のデータシートには、Exposed Padはフローティングとだけ記載されています。未接続でも動作は可能ですが、GNDに接続することを推奨します。データシートに記載の熱抵抗は、Exposed Pad をPCBプレーン に接続することを前提にしているため、データシートに記載の熱抵抗より悪くなります。
ADA4817のデータシートには、GND又は-Vs又は未接続と記載されております。このような場合も、未接続でも動作は可能ですが、GNDに接続することを推奨します。
ADA4857のデータシートには、GND又はVsと記載されております。ADA4857を両電源で使用される場合、Exposed Padは-Vsに、単電源の場合GNDに接続してください。
LT3080/LT3094のような3端子LDOでは、Exposed Pad はGND以外の電位へ固定する場合がございます。
Exposed Padの接続については、各製品毎に異なるため、それぞれのデータシートをご確認ください。 ![]()
Q電源電圧が0Vの時も絶対最大定格を守る必要があるのでしょうか?
QSPIを多数並列接続で使用する場合の注意点を教えてください。
下図のようにSPIを多数並列接続する場合の注意点は、マスターから並列に接続されるため、配線の寄生容量と接続されるICの入力容量が加算され、単独使用よりも大きな容量値となります。その為、マスター側のドライブ能力が十分にある事の確認と、クロック周期を単体より少し大きくすることをお勧めします。
またSDOを共通で使用し、CS1の立ち上がりエッジとCS2もしくはCS3の立下りエッジが同時の場合、Slave1の出力がディスエーブルされる前に、Slave2またはSlave3の出力がイネーブルされ、電源-GND間に多大な電流が流れる可能性があります。以下のAD7192のFigure3でt5-t1の時間を確保ください。 AD7192の場合、t5=10ns/t1=0nsなので、CS1の立ち上がりエッジとCS2もしくはCS3の立下りエッジまで10ns必要です。
![]()
Qアナログ・デバイセズ社製品のFit値、MTTFを知りたいのですが、どこを見れば確認できるでしょうか?
アナログ・デバイセズ社のウェブ・サイトから確認することができます。 下記リンクにアクセス頂き、「Product P/N」に製品型名を入力し、Submitをクリックしてください。「信頼性データ Wafer Fabrication Data」というページに移動します。そこに表示される表の中に「FIT Rate」と「MTTF」が記載されております。
WEBサイトのリンク: Wafer Fabrication Data
上記リンクをクリックすると、下図の画面が表示されるので、「Learn more」をクリック
Product P/Nに型名を入力して、Submitをクリック(例えばAD7124-8を入力)
Wafer Fabrication Dataが表示されます。(下図はAD7124-8の例)
この方法で見つからない型番がございましたら弊社までお問い合せ下さい。 ![]()
Qアナログ・デバイセズ社製品のMSLを知りたいのですが、どこを見れば確認できるでしょうか?
Q信頼性データの FIT Rate(60% CL)と、FIT Rate(90% CL)は何が違うのでしょうか?
アナログデバイセズ社の信頼性ハンドブックの15頁に故障率の説明がございます。半導体の故障率試験は、任意のサンプルを抜き取り、長期間の動作試験を行いその試験数、試験時間、加速係数、故障数量から計算されます。故障数が半数程度まで確認されれば、故障率精度は高くなりますが、非常に時間がかかることから、0個や1個で、故障率を求める場合、精度が低くなります。そのため、計算値に信頼性水準CLを加えることにより、故障率の信頼度を表現しています。FIT Rate(60% CL)よりFIT Rate(90% CL)のほうが信頼度は高いことになります。アナログデバイセズ社の半導体の信頼水準は60%が使用されております。 ![]()
Qアナログデバイセズ社製品について、RoHS2の適合品を型名で区別することは可能でしょうか?
ADI品と旧ヒッタイト品と旧リニアテクノロジー品については、ADI General RoHS Compliance Informationに、詳細が説明されております。ADI品は、非RoHS品の存在する製品についてはサフィックスの前に”Z”が付くものが、RoHS2の適合品になります。非RoHS品の存在しない型番については、”Z”がつきませんが、データシートやデバイス印字やWebサイトで確認できます。以下に例を示します。
非RoHS RoHS2適合
ADM1024ARU-REEL ADM1024ARUZ-REEL
AD648KR AD648KRZ
旧ヒッタイト品のRoHS2適合品は、型番の最後に”E”がつきます。以下に例を示します。
非RoHS RoHS2適合
HMC6407LP5 HMC6407LP5E
HMC199AMS8TR HMC199MS8ETR
旧リニアテクノロジー品のRoHS2適合品は、型番の最後に”#PBF”または”#TRPBF”がつきます。以下に例を示します。
非RoHS RoHS2適合
LTC1517CS5-3.3 LTC1517CS5-3.3#PBF
LTC6993MPS6-4#TR LTC6993MPS6-4#TRPBF
旧マキシム品については型番に”-” 表記の製品は、非RoHS品となります。”+” 又は”#”がつく製品は、RoHS2適合品となっております。以下に例を示します。
非RoHS RoHS2適合
MAXM17632AME-T MAXM17632AME#T/ MAXM17632AME+T
”+” と”#”の違いについては、RoHS規定のExemption(適用除外)のFAQをご確認ください。 ![]()
QRoHS規定のExemption(適用除外)とは、どのようなものでしょうか?
RoHS指令では適用除外用途が期限付きで定められています。適用除外用途は制限物質を含有するものの、技術的、科学的に代替が不可なものを期限付きで認めたものです。物質ごとに用途、使用量の制限、有効期間が細かく定められています。
LT3080を例に説明します。LT3080の 成分表のサイトでLT3080を検索すると、8-Lead MSOPパッケージはRoHS CompliantがYになっていますが、5-Lead DD Pak パッケージと3-Lead SOT-223 パッケージでは、RoHS CompliantがEになっています。
成分表のサイトに以下のように説明がございます。
RoHS CompliantのYはRoHS2に適合したものです。RoHS CompliantのEは、RoHS Exemptionとして7a,7c-I,15aで適用除外規定にある物質を含んでいるRoHS2に適合したものです。
ADI General RoHS Compliance Informationに、詳細が説明されております。 ![]()
Qダイナミックレンジとは何を表すのでしょうか?
Qアナログ・デバイセズ社製品のフットプリントを確認したいのですが、どこから確認できますか?
Qアナログ・デバイセズ社製品の成分表はどこから入手できますか?
アナログ・デバイセズ社のホームページのトップメニューにある「設計リソース」「資料ライブラリ」「パッケージ、クオリティ、シンボル、およびフットプリント」「品質及び信頼性」の順にクリックしてください。
次に開いたページの左側青い吹き出しメニューの一番上にある「成分表」をクリックします。
その後、製品番号検索に入手したい製品名を記入し、「Search now」ボタンをクリックします。ここではAD7124-8を例に検索しています。
成分表検索結果が表示されるので、表示された製品名の「View Declaration」ボタンをクリックすると成分表が開きます。
この方法で見つからない型番がございましたら弊社までお問い合せ下さい。 ![]()
QMSLとは何でしょうか?
MSL(Moisture Sensitivity Level)とは、その製品の吸湿性を表した水準です。 海外規格であるJEDECでは、以下の様に規定しています。(参考文献:IPC/JEDEC J-STD-033D) 基本条件として、周囲温度30℃以下、周囲湿度60%RH以下で保管すること、と規定されており、この条件下においても、防湿梱包開封後から基板実装実施までの使用猶予期間が規定されています。
例えばAD7124-8で紹介すると、AD7124-8のMSLは「3」と指定されており、IPC/JEDEC J-STD-033DのTable4-3に記載のあるMSL3の基準で製品を保管管理する必要があります。 MSL3では、30℃以下、60%RH以下の環境下で梱包開封後168時間(1週間)以内に基板実装を行う必要があります。 この期間を超えて基板実装を行った場合、製品内部に吸収された湿度(=水分子)がリフロー時の急激な温度上昇によって、瞬時に蒸発、気化し、水蒸気爆発を起こします。 これによって、製品内部にダメージが与えられ破損につながります。 上記の様な破損を防ぐために、吸湿性の高い製品は、湿度管理を行った環境で保管、運用を行う必要があり、そのための指標としてMSLが広く使用されています。
※参考文献は、JEDECサイトにて入手可能です。 ![]()
Qアナログ・デバイセズ社のICの重さを知りたいのですが、何処に記載されているでしょうか?
アナログ・デバイセズ社のWEBサイトに記載がございます。各製品ページを下にスクロール頂き、「ドキュメント」の「コンポーネント・リソース」タブをクリックしてください。そこで表示される「資料」の列の「Material Declaration」をクリックしてください。表示されたページで調べたい製品パッケージの型番の「View Declaration」をクリックしてください。表示された資料に重さの記載がございます。以下はADA4077-1の例です。
「Material Declaration」のリンクをクリック
調べたいパッケージの型番の「View Declaration」のボタンをクリック
表示された資料(pdfファイル)の下の方にWeight(g)という記載がございます。なお製品によりましてフォーマットが異なる場合がございます。下記の場合は右上に記載がございます。
下記の場合は左上に記載がございます。
不明な点や見つからない場合は弊社までご連絡下さい。 ![]()
QADI製品の評価ボードのガーバーデータは入手可能でしょうか?
QADI製品のAD型番、LT型番、MAX型番のそれぞれのテーピングリール寸法を教えてください。
下記リンク先に掲載されております。
https://www.analog.com/jp/resources/packaging-quality-symbols-footprints/package-resources.html
AD型番の寸法情報
https://www.analog.com/media/en/package-pcb-resources/tape-and-reel-packaging.pdf
LT型番の寸法情報。
https://www.analog.com/media/en/package-pcb-resources/package/tape-reel-rev-o.pdf
MAX型番の寸法情報
https://www.analog.com/media/en/package-pcb-resources/legacy-maxim-tape-reel-packaging-table.pdf ![]()
Qアナログ・デバイセズ社製品の米国輸出規制品目分類番号(Export Control Classification Numbers:ECCN)やHSコードを知りたいのですが、何処に記載されているでしょうか?
アナログ・デバイセズ社のWEBサイトに記載がございます。WEBサイト内の検索画面で「輸出品目分類」を入力し、表示された画面で製品型名を入力いただきますとECCN及びHSコードを確認することが出来ます。以下はADA4077-1の例です。
「Multiple Product Models」または「Single Product Model」に製品型名を入力し、「Search Now」ボタンをクリックします。「Multiple Product Models」には複数の型名を入力することが出来ます。例えば、「Single Product Model」にADA4077-1と入力すると以下の様にADA4077-1で始まる複数の製品が表示されます(グレード違い品やパッケージ違い品です)。US ECCNの列が米国輸出規制品目分類番号(Export Control Classification Numbers:ECCN)、US Tariff Numberの列の上位4桁がHSコードとなります。(5桁目以降は国により仕様が異なります。こちらのサイトで表示されるものは米国の仕様となります。)
なお、「Multiple Product Models」にはフル型番を入力する必要がありますのでご注意ください。
一部この方法でECCNやHSコードを確認できない製品がございます。その場合や不明な点、見つからない場合は弊社までご連絡下さい。 ![]()
Qアナログ・デバイセズ社製品のデータシートで、英語版と日本語版で内容が異なる場合があります。どちらが正しいのでしょうか?
QPCにSDP-K1を接続し、評価ボードのGUIソフトウェアを実行しましたが 「COM6,FW:Unknown」という表示になり、 COMポートとして認識されません。対応策はありますか?
SDP-K1はSystem Demonstration Platform-K1の略で、ADコンバータやDAコンバータなど色々な製品の評価ボードのコントローラボードとして使われ、ARM Cortex-M4Fマイコンが搭載されています。
https://www.analog.com/en/resources/evaluation-hardware-and-software/evaluation-boards-kits/sdp-k1.html#eb-relatedhardware
例えば、16-chバッテリスタックモニタ EVAL-ADBMS6830Bの場合、評価ボードのGUIソフトウェア(BMS Browser GUI)をPCへダウンロードしたあと、SDP-K1搭載のマイコンへ最初だけBMS Browser専用のファームウエアを書き込む必要があります。
一旦SDP-K1にファームウエアを書き込んでしまえば以後はBMS Browserを立ち上げるだけで良く、書き込みは必要ありません。
BMS_Browser専用ファームウエアの書き込み手順は下記となります
①SDP-K1をUSBケーブルでPCにつなぐ。
②PCからは、D:として認識され、Desktop画面に下図赤枠が出てくる。
③SDP_K1_PyBMS_USB_TO_SPI_Bytes_Debug_USB_Port.bin※をドラッグ&ドロップする。
(※BMS Browserをインストールしたディレクトリ、C:/Analog/BMS Browser GUI Broadmarket2.3.0/USB_TO_SPI_Firmwareの下にあります)
以上で書き込み終了です。
下記リンクの“Running Code on Mbed”の項にも記載がありますのでご参照ください。
https://wiki.analog.com/resources/tools-software/mbed
![]()
LTspice他シミュレータ
QLTspiceで解析時間を高速化する方法はありませんか?
いくつか手段がございますので、以下を試してみてください。
(1)高性能なPCをご利用ください。
(2)SPICE directiveの.IC命令で、変化の遅いノードの初期値を指定してみてください。
(3)Edit Simulation CommandのTime to start saving dataを指定し、データ保存開始時間を変更してみてください。
(4).Saveで確認するノードのみを指定ください。その他のノードは保管されなくなるため、高速化が期待できます。
(5)Reltol=0.001のデフォルト値を.optoin Reltol=0.01のように大きな値に変えてみてください。
(6)Trtol=1のデフォルト値を.optoin Trtol=3のように大きな値に変えてみてください。
(7)DCDCコンバータでソフトスタート機能のある製品については、.softstart=0.1を記述することで、ソフトスタート時間が短縮されます。 ![]()
QLTspiceで可変抵抗(ポテンショメータ)を作りたいのですが、どうすれば良いでしょうか?
下記の手順で可変抵抗を作成することができます。
※本FAQのLTspiceのバージョンは、Version (x64): 24.0.9以降を使用しています。
まず始めに抵抗R1を設置します。
R1の抵抗値が初期値は「R」と表記されていますので、「R」の上で右クリックして出てきたウィンドウに下図の様に「R=V(VR)」などと記入します。OKでウィンドウを閉じてください。

次に電源V1を設置します。
Net Ravelを作成し、「VR」と名付けます。
作成したラベルとGNDを下図のようにV1に接続します。
V1の電圧レベルを設定します。V1シンボルの上で右クリックすると下図メニューが出てきますので、Advancedをクリックします。
Advancedをクリックすると下図ウィンドウが開くので、PWLを選択し、パラメータを例えば下図の様に入力します。
動作確認のため、簡単な回路を作成します。
測定結果として、10ms時:1Ω、20ms時:3Ω、30ms時:5Ω、40ms時:10Ω、となっており、設定通りの抵抗値に可変できていることがわかります。
![]()
QLTspiceで可変抵抗器(ポテンショメータ)を作成した際に抵抗値を波形ウィンドウで確認したいのですが、どのようにすれば良いでしょうか?
下記の手順で波形ウィンドウに抵抗値を表示できます。
まず始めに回路を作成し、動作させて波形を表示します。
プローブで何も触っていない状態なので、空白の波形ウィンドウが表示されます。
次に、波形ウィンドウ上で右クリックしてメニューを表示し、「Add Traces」を選びます。
そうすると回路上の各部品にかかっている電圧や流れている電流を示すパラメータが一覧で表示されます。
その中から抵抗値を測定したい部品の電圧/電流パラメータを選択します。
今回は、R1の抵抗値を表示したいため、R1にかかっている電圧「V(r1)」と流れている電流I(R1)を使用して抵抗値を表示します。
上記の様に、V(r1)/I(R1)と電圧を電流で割ることで抵抗値を算出することができます。
![]()















