概要
極超低ノイズ性能50Wスイッチング電源
特長
●極超低リップルノイズ
●コモンモードノイズ大幅低減
●低雑音端子電圧・低雑音電界強度
●低漏洩電流(0.15mA/264Vac時)
●安全規格:62368-1
●1次-2次 絶縁耐圧 4kVac(1min)
主な仕様
出力容量:50W
入力電圧:AC100-240V
出力電圧:5/12/15/24/30/48V
その他
※PDFファイルやDXFファイルをご覧になるためには、対応したアプリケーションソフトが必要です。
| 型式 | RFS50A-5 | RFS50A-12 | RFS50A-15 | RFS50A-24 | RFS50A-30 | RFS50A-48 | ||
|---|---|---|---|---|---|---|---|---|
| 入力 | 入力電圧 | 定格100-240Vac(入力電圧範囲:85~264Vac) | ||||||
| 入力周波数 | 定格50/60Hz(入力周波数範囲:47Hz~63Hz) | |||||||
| 入力電流 ※1 (ACIN 100V / 200V) | 0.8A / 0.5A (Io=100%) | |||||||
| 突入電流 ※1 (ACIN 100V / 200V) | 20A / 40A | |||||||
| 効率 ※1 (ACIN 100V / 200V) | 73% / 74% | 78% / 79% | 80% / 80% | 80% / 80% | 80% / 80% | 80% / 80% | ||
| 力率 ※1 (ACIN 100V / 200V) | 0.95 / 0.82 | |||||||
| 漏洩電流 (ACIN 100V/240V/264V) 60Hz |
0.05mA typ / 0.12mA typ / 0.15mA max | |||||||
| 出力 | 出力電圧 | 5Vdc | 12Vdc | 15Vdc | 24Vdc | 30Vdc | 48Vdc | |
| 出力電圧可変範囲 | 4.5~6.0V | 10.8~13.2V | 13.5~16.5V | 21.6~26.4V | 27.0~33.0V | 43.2~52.8V | ||
| 出力電流 | 10A | 4.2A | 3.4A | 2.1A | 1.7A | 1.1A | ||
| 最大出力電力 | 50.0W | 50.4W | 51.0W | 50.4W | 51.0W | 52.8W | ||
| 静的入力/負荷変動 (max) | 40mV / 80mV | 48mV / 96mV | 60mV / 120mV | 96mV / 150mV | 120mV / 188mV | 192mV / 300mV | ||
| リップルノイズ ※2 | 1mV typ | |||||||
| 付属 機能 |
過電流保護 ※3 | 定格出力電流値 × 110%以上 (出力遮断) | ||||||
| 過電圧保護 ※3 | 定格出力電圧値 × 115%以上 (出力遮断) | |||||||
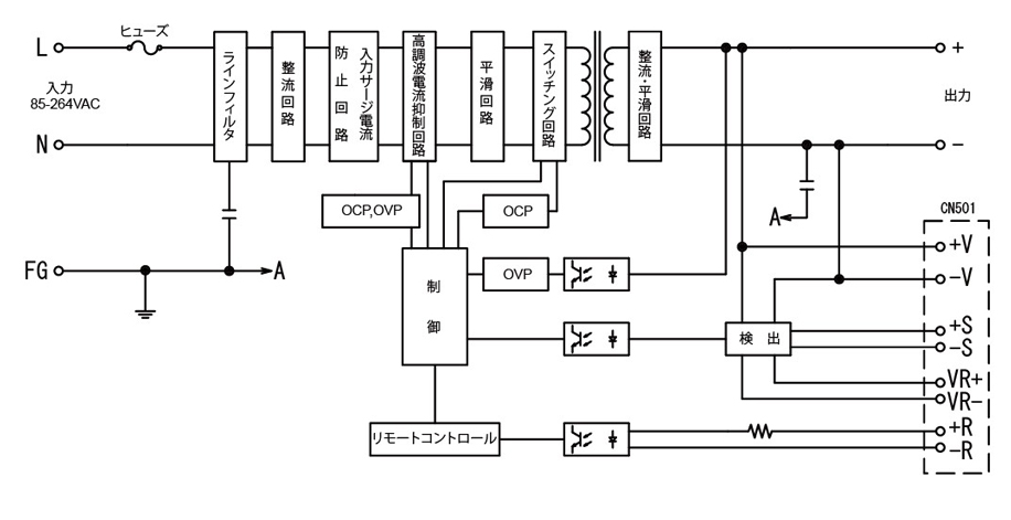
| その他 | リモートセンシング、リモートコントロール、外部出力電圧調整機能 | |||||||
| 運転表示 | LED点灯 | |||||||
| 構造 | 冷却方式 | 自然空冷 | ||||||
| 寸法(W×H×D), 質量 | 82×42×178.5mm(端子台含まず), 500g | |||||||
| 入出力端子/信号端子 | ネジ端子/信号コネクタ | |||||||
| 環境 | 動作周囲温度 / 湿度 ※4 | -10 ℃ ~+60 ℃ (出力電力ディレーティングあり)/ 30%RH~90%RH (結露なきこと) | ||||||
| 保存温度 / 湿度 | -20℃~85℃/10%RH~95%RH (結露なきこと) | |||||||
| 耐振動 | 19.6m/s2 (10~55Hz 掃引1分 X,Y,Z 3方向各1時間) | |||||||
| 耐衝撃 | 196.1m/s211ms X,Y,Z方向各1回 | |||||||
| 絶縁 耐圧 |
耐電圧 | INPUT - FG : 2kVac(20mA) 1min, INPUT - OUTPUT : 4kVac(20mA) 1min OUTPUT - FG : 708Vdc(10mA) 1min |
||||||
| 絶縁抵抗 | INPUT-FG, INPUT-OUTPUT, OUTPUT-FG 500VDCにて100MΩ以上 | |||||||
| 適応 規格 |
静電気試験 | EN61000-4-2 準拠 | ||||||
| 放射電磁界イミュニティー試験 | EN61000-4-3 準拠 | |||||||
| ファーストトランジェントバースト試験 | EN61000-4-4 準拠 | |||||||
| 雷サージ試験 | EN61000-4-5 準拠 | |||||||
| 伝導性イミュニティー試験 | EN61000-4-6 準拠 | |||||||
| 電源周波数電磁界イミュニティー試験 | EN61000-4-8 準拠 | |||||||
| 電圧ディップ、瞬停、 電圧変動イミュニティー試験 |
EN61000-4-11 準拠 | |||||||
| 雑音端子電圧 | EN55022-B, FCC-B, VCCI-B 準拠 | |||||||
| 安全規格 | UL62368-1, CAN/CSA-C22.2 NO.62368-1, EN62368-1認定, 電安法準拠 | |||||||
| UL File No | E237238 (UL62368-1) | |||||||
| CEマーキング | 低電圧指令 適合 | |||||||
| 高調波電流抑制 | EN61000-3-2 (CLASS A) 準拠 | |||||||
※1 条件:Ta=25℃ 最大出力電力時のtyp値です。(突入電流は入力フィルタに流れる0.1msec以内は含んでおりません。)
※2 リップルノイズ測定は弊社測定法によるtyp値です。(条件:Ta=25℃, Vin=100Vac 定格出力時のtyp値です。)
※3 入力を遮断し、数分後入力再投入にて復帰します。
※4 動作周囲温度及び、取付方向により出力ディレーティングが必要です。過負荷、及び仕様範囲外での使用は故障の原因となりますのでおさけください。
※本製品は、一般電子機器に使用されることを意図しております。特別に高い品質・信頼性が要求され本製品の故障・誤動作が生命・身体・財産を侵害される恐れのある機器にご使用になる場合は、購入者の責任において、機器の安全設計を行う事をお願い致します。
![]()

![]()

ご紹介動画
当社スイッチング電源のご紹介動画です。(3:39)
ものづくり系大人気YouTuberのイチケンさんに、当社の低ノイズスイッチング電源をご紹介いただきました。(19:32)
低ノイズスイッチング電源の魅力を余すところなく紹介いただいておりますので、ぜひこちらもご覧くださいませ。